| штат: | |
|---|---|
TRJC1000-43A
TR
Обзор продукта
Высокоточные датчики тока — это современные устройства, предназначенные для измерения переменного и постоянного тока с исключительной точностью и стабильностью. Они преобразуют ток в пропорциональный электрический сигнал для точного мониторинга, управления и защиты. Используя такие технологии, как эффект Холла, феррозондовый метод или методы нулевого потока, эти датчики достигают высокой линейности, малого дрейфа смещения и быстрого отклика. Они широко используются в силовой электронике, системах возобновляемых источников энергии, интеллектуальных сетях, промышленной автоматизации и электромобилях. Благодаря высокой защите от помех, широкой полосе пропускания и компактной конструкции высокоточные датчики тока обеспечивают надежную работу в сложных приложениях, требующих точного и стабильного измерения тока.
Особенности продукта
* Крошечные смещенные токи.
* Превосходная линейность.
* Высокая изоляционная устойчивость.
* Небольшая ошибка между входом и выходом.
* Широкая полоса частот.
* Быстрая скорость ответа.
* высокое разрешение.
* Низкий температурный дрейф.
Применение продукта
* Обнаружение новой энергии.
* Запасные товары для залов.
* Силовое электронное измерение.
* Промышленный контроль и измерения.
* Медицинское учреждение.
* Стандарт для лабораторных испытаний.
* Автомобильный трафик.
* Прибор и измеритель.
Параметры продукта
Тип | Символ | Условие испытания | Мин | Рейтинг | Максимум | Единица |
Диапазон измерения | Я PM | - | ± 1000 | ± 1200 | Адвокат | |
Источник питания | V C. | Полный диапазон | ± 14,5 | ± 15 | ± 15,5 | VDC |
Текущее потребление | IC | В пределах диапазона I PM | ± 40 | ± 710 | ± 840 | магистр |
Соотношение | К н | Вход : Вывод | 1500: 1 | - | ||
Номинальный выходной ток | Я sn | Первичный рейтинг тока | - | ± 666,7 | - | магистр |
Измерение сопротивления | R m | См. Pic.1 | - | 1.5 | 3 | Ω |
Точность | X E. | 25 ± 10 ℃ | - | - | 0.02 | % |
Линейность | ε l | - | - | - | 20 | ppm |
Коэффициент температурного дрейфа | TCI Out | - | - | - | 0.1 | ppm/k |
Нулевой ток смещения | Я о | 25 ± 10 ℃ | - | - | ± 5 | UA |
Нулевой ток смещения | Я не | Полный диапазон рабочей температуры | - | - | ± 10 | UA |
Пульсирующий ток | В | DC-10 Гц | - | - | 2 | UA |
Динамическое время отклика | тр | от 5% до 90%I ПН | - | - | 1 | нас |
DI/DT точно следовал | ди/дт | - | 200 | - | - | A/Us |
Полоса частот (- 3 дБ) | F | - | 0 | - | 100 | кГц |
Примечание. Номинальный ток является среднеквадратичным током при измерении переменного тока
Общая характеристика
Тип | Символ | Условие испытания | Мин | Номинальный | Максимум | Единица |
Диапазон рабочих температур | Т | - | -40 | - | +85 | ℃ |
Диапазон температур хранения | По | - | -55 | - | +100 | ℃ |
Выходной сигнал индикации состояния | - | Когда включен свет индикатора выходного состояния (зеленый светодиод), это означает, что продукт работает нормально, а входной ток шины не превышает его способность подшипника; Когда свет индикатора выходного состояния выключен, он указывает на то, что продукт не работает должным образом, или значение входного тока шины выходит за рамки его емкости. | ||||
Функция безопасности
Тип | Символ | Условие испытания | Мин | Номинальный | Максимум | Единица | |
Выдерживаемое изолированное напряжение | Между первичным и вторичным | Вд | 50 Гц, 1 мин | - | 2.5 | - | кВ |
Переходное выдерживаемое напряжение изоляции | Между первичным и вторичным | VW | 50us | - | 5 | - | кВ |
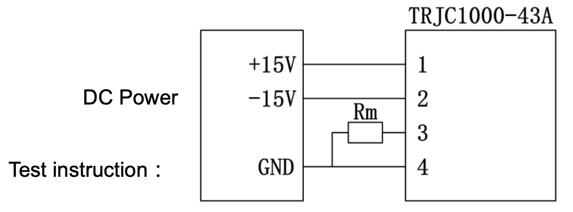
Подключение и описание приложения
Определение вывода
Терминал | 1 | 2 | 3 | 4 |
Определение | +15 В. | -15V | IOUT | GND |

Измеряя испытательный ток IS, протекающий через Rm, или напряжение UR на обоих концах Rm, можно получить исходный боковой ток IP:

Структура и размеры

Этот продукт представляет собой формованную деталь из материала ПК, допуск формы и размеров соответствует GB/T14486-2008 MT6.
Тип выходного терминала, подключаемый к терминалу 2ЭДГКМ3.81-4П.
Обзор продукта
Высокоточные датчики тока — это современные устройства, предназначенные для измерения переменного и постоянного тока с исключительной точностью и стабильностью. Они преобразуют ток в пропорциональный электрический сигнал для точного мониторинга, управления и защиты. Используя такие технологии, как эффект Холла, феррозондовый метод или методы нулевого потока, эти датчики достигают высокой линейности, малого дрейфа смещения и быстрого отклика. Они широко используются в силовой электронике, системах возобновляемых источников энергии, интеллектуальных сетях, промышленной автоматизации и электромобилях. Благодаря высокой защите от помех, широкой полосе пропускания и компактной конструкции высокоточные датчики тока обеспечивают надежную работу в сложных приложениях, требующих точного и стабильного измерения тока.
Особенности продукта
* Крошечные смещенные токи.
* Превосходная линейность.
* Высокая изоляционная устойчивость.
* Небольшая ошибка между входом и выходом.
* Широкая полоса частот.
* Быстрая скорость ответа.
* высокое разрешение.
* Низкий температурный дрейф.
Применение продукта
* Обнаружение новой энергии.
* Запасные товары для залов.
* Силовое электронное измерение.
* Промышленный контроль и измерения.
* Медицинское учреждение.
* Стандарт для лабораторных испытаний.
* Автомобильный трафик.
* Прибор и измеритель.
Параметры продукта
Тип | Символ | Условие испытания | Мин | Рейтинг | Максимум | Единица |
Диапазон измерения | Я PM | - | ± 1000 | ± 1200 | Адвокат | |
Источник питания | V C. | Полный диапазон | ± 14,5 | ± 15 | ± 15,5 | VDC |
Текущее потребление | IC | В пределах диапазона I PM | ± 40 | ± 710 | ± 840 | магистр |
Соотношение | К н | Вход : Вывод | 1500: 1 | - | ||
Номинальный выходной ток | Я sn | Первичный рейтинг тока | - | ± 666,7 | - | магистр |
Измерение сопротивления | R m | См. Pic.1 | - | 1.5 | 3 | Ω |
Точность | X E. | 25 ± 10 ℃ | - | - | 0.02 | % |
Линейность | ε l | - | - | - | 20 | ppm |
Коэффициент температурного дрейфа | TCI Out | - | - | - | 0.1 | ppm/k |
Нулевой ток смещения | Я о | 25 ± 10 ℃ | - | - | ± 5 | UA |
Нулевой ток смещения | Я не | Полный диапазон рабочей температуры | - | - | ± 10 | UA |
Пульсирующий ток | В | DC-10 Гц | - | - | 2 | UA |
Динамическое время отклика | тр | от 5% до 90%I ПН | - | - | 1 | нас |
DI/DT точно следовал | ди/дт | - | 200 | - | - | A/Us |
Полоса частот (- 3 дБ) | F | - | 0 | - | 100 | кГц |
Примечание. Номинальный ток является среднеквадратичным током при измерении переменного тока
Общая характеристика
Тип | Символ | Условие испытания | Мин | Номинальный | Максимум | Единица |
Диапазон рабочих температур | Т | - | -40 | - | +85 | ℃ |
Диапазон температур хранения | По | - | -55 | - | +100 | ℃ |
Выходной сигнал индикации состояния | - | Когда включен свет индикатора выходного состояния (зеленый светодиод), это означает, что продукт работает нормально, а входной ток шины не превышает его способность подшипника; Когда свет индикатора выходного состояния выключен, он указывает на то, что продукт не работает должным образом, или значение входного тока шины выходит за рамки его емкости. | ||||
Функция безопасности
Тип | Символ | Условие испытания | Мин | Номинальный | Максимум | Единица | |
Выдерживаемое изолированное напряжение | Между первичным и вторичным | Вд | 50 Гц, 1 мин | - | 2.5 | - | кВ |
Переходное выдерживаемое напряжение изоляции | Между первичным и вторичным | VW | 50us | - | 5 | - | кВ |
Подключение и описание приложения
Определение вывода
Терминал | 1 | 2 | 3 | 4 |
Определение | +15 В. | -15V | IOUT | GND |

Измеряя испытательный ток IS, протекающий через Rm, или напряжение UR на обоих концах Rm, можно получить исходный боковой ток IP:

Структура и размеры

Этот продукт представляет собой формованную деталь из материала ПК, допуск формы и размеров соответствует GB/T14486-2008 MT6.
Тип выходного терминала, подключаемый к терминалу 2ЭДГКМ3.81-4П.